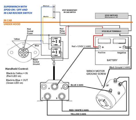
Wiring Winch Switch

Wiring Winch Switch. The toggle switch, as well as the red, yellow, and green wires that connect it, must all be located. Web yes, wiring a winch with a toggle switch is difficult but not impossible.

UTV inc led winch switch Polaris RZR Forum RZR
UTV inc led winch switch Polaris RZR Forum RZR from www.rzrforums.net

Web place the gasket over the toggle switch. Disable the vehicle’s ignition before installation. Press “out” on the toggle switch while the ignition switch is turned off;

A Simple Quick Walkthrough On Wiring Up A 7 Pin Dpdt Winch Switch.


Attach the red wire to the switch’s base terminal. Web place your switch and switch housing together. Connect the yellow wire to the toggle switch’s top terminal and connect the red wire to the toggle switch’s center.

Now, Find The Toggle Switch And The Three Wires Connected To.


Disable the vehicle’s ignition before installation. Get your wires from the toggle switch to the handlebars and turn the handlebars to the right. Get your wires to the toggle switch,.

By Following A Proper Guideline, You Can Do It By Yourself!


Web wiring a winch with a toggle switch provides increased control, enhanced safety, improved convenience, reduced wear and tear, and increased efficiency. Web place the gasket over the toggle switch. Web attach the green wire to the switch’s top socket and connect the black wire to the toggle switch’s center terminal.

The Positive (+) Wire Will.


Web firstly, you need to turn off the ignition of the atv so that there is no electric current coming from the battery. Web yes, wiring a winch with a toggle switch is difficult but not impossible. If the winch comes with a wired remote, route the wire harness to the contactor location the same way you did with the rocker switch wiring harness.

Verify The Winch Clutch Is Not Engaged.


Press “out” on the toggle switch while the ignition switch is turned off; Then look for the red, yellow and green wires linked to. You have to switch off the ignition of your vehicle at the very outset.