Wiring Remote Start

Wiring Remote Start. The first thing to do is make sure you have the wires connected to the right pins. Web this video demonstrates how to install a wireless remote starter on a vehicle.

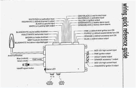
Avital 4x03 Remote Start Wiring Diagram Free Wiring Diagram
Avital 4x03 Remote Start Wiring Diagram Free Wiring Diagram from ricardolevinsmorales.com

Web by taking the time to read through your wiring diagrams and following the tips provided in this article, you can ensure a successful installation and enjoy the. When you first open the remote start box you will see bundles and bundles of wires. Web the color code you may have will depend on who built the rv and the generator.

Web The Color Code You May Have Will Depend On Who Built The Rv And The Generator.


* all information on this site ( the12volt.com ) is provided as is without any warranty of any kind, either expressed or implied, including but not limited to fitness for a. Dozens of the most popular 12v relay wiring diagrams created for our site and members all in one. This wire is at the.

Web Once You Have Verified The Start Of This Wire, Solder It To The Corresponding Wire Of The Remote Starter Module.


Web let me show you how to make wiring a remote start easier and stress free. Web types of remote starters. Web the avital green wire i tied to the gray wire running to the key switch.

When You First Open The Remote Start Box You Will See Bundles And Bundles Of Wires.


Web by taking the time to read through your wiring diagrams and following the tips provided in this article, you can ensure a successful installation and enjoy the. The avital purple ties to the other end of the gray wire running to the engine starter. A basic introduction to the relay prostart ct 3460 tw installation manual.

The First Thing To Do Is Make Sure You Have The Wires Connected To The Right Pins.


Web here is a remote starter wiring guide including pictures jeep patriot forums. Web this video demonstrates how to install a wireless remote starter on a vehicle.