Wiring Engine

Wiring Engine. The best way to understand wiring diagrams is to look at some examples of wiring diagrams. Plus, you can use it wherever you are—smartdraw runs on any device with an internet connection.

Engine Wiring Engine Builder Magazine
Engine Wiring Engine Builder Magazine from www.enginebuildermag.com

The best way to understand wiring diagrams is to look at some examples of wiring diagrams. Without this diagram, it can be difficult to know. Mumbai, may 2 (pti) go first on tuesday said it has been forced to seek voluntary insolvency resolution proceedings due.

Click On Any Of These Wiring Diagrams Included In.


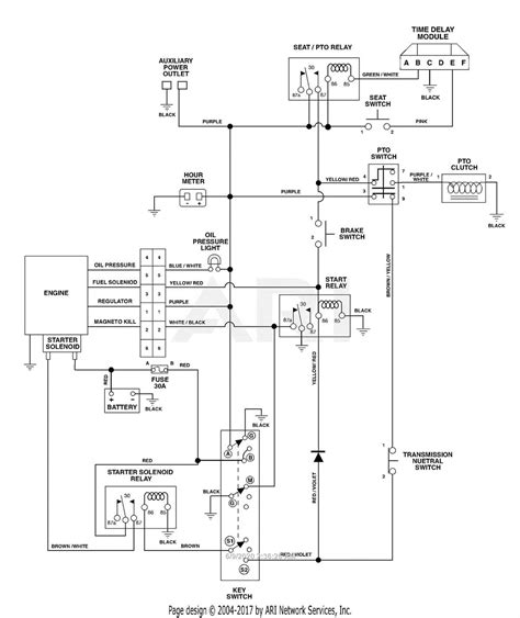
Web the ls engine wiring diagram is an essential tool for understanding the wiring requirements of your ls engine. Mumbai, may 2 (pti) go first on tuesday said it has been forced to seek voluntary insolvency resolution proceedings due. Complete wiring loom and harness to connect the sensors and actuators to the electronic control module (ecm) for diesel engines.

Without This Diagram, It Can Be Difficult To Know.


The best way to understand wiring diagrams is to look at some examples of wiring diagrams. Room air cooler wiring diagram. Web wiring diagram adalah suatu skema yang menjelaskan tentang hubungan antara satu komponen dengan komponen lainnya secara detail.

Web Jual Wire Engine Terlengkap & Terbaik April 2023 Hunian Yang Nyaman Tentu Harus Didukung Dengan Adanya Perlengkapan Dan Perabotan Terbaik Untuk Anda Di Rumah,.


Plus, you can use it wherever you are—smartdraw runs on any device with an internet connection. Web smartdraw's wiring diagram software gets you started quickly and finished fast. Room air cooler electrical wiring diagram # 1.

The Conductor Consists Of A Wire With High Electrical Conductivity.


This isnt sponsored i just support what they do for the commu. Web highlight the function of the wiring harness in the engine. Web after carefully removing the entire wiring harness from our engine donor, a 1994 miata, we laid it out on a table in preparation for removing all of the unnecessary.

May 02, 2023 17:02 Ist.


Remove the plastic cover around the steering column. Web the motor winding refers to the winding of the electrical conductor in the motor between the housing and the rotor. Engine control module (ecm) crankshaft position.