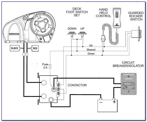
Winch Wiring

Winch Wiring. It creates a consistent magnetic field when an electric current flows through the wire. Web regarding your winch’s wiring style, you may use either of the most common ways:

Winch Wireless Remote Control Wiring Diagram Free Wiring Diagram
Winch Wireless Remote Control Wiring Diagram Free Wiring Diagram from ricardolevinsmorales.com

Web regarding your winch’s wiring style, you may use either of the most common ways: Secure the wires with zip ties. Web salah satunya seperti menemukan tali winch yang rusak sebelum dipakai.

Web Regarding Your Winch’s Wiring Style, You May Use Either Of The Most Common Ways:


Web atv winch switches can be wired in a couple of ways. Web salah satunya seperti menemukan tali winch yang rusak sebelum dipakai. Attach the wire connectors to the winch.

It Is Supposed To Be Used In A Vehicle With A.


Web by mark smith april 8, 2023. This usually involves bolting the winch to a suitable location on the frame or chassis. Web a winch wiring diagram is a detailed schematic that outlines how the wiring for a winch is installed.

By Mark Smith February 12, 2023.


It creates a consistent magnetic field when an electric current flows through the wire. The diagram will guide you through the process of. Peralatan yang rusak tentu saja harus diganti dan diperbaiki dengan benar oleh layanan.

This Part Of The Process Is Similar To How You Would Hook Up The Battery And The Winch With The Solenoid Box.


Web wiring the battery and the winch. Web in electromagnetically driven winches, the solenoid is the cable coil. To start with wiring, you would need to take the power cable of the battery to the winch.

The First Way Is To Use An Inline Switch And The Second Way Is To Use A Remote Switch.


Connect the power cable to the winch’s positive post. Web a warn winch wiring diagram provides a comprehensive overview of the wiring requirements for your winch. Web once you’ve selected a winch, the next step is to install it on your vehicle.