Vacuum Lines Diagram

Vacuum Lines Diagram. This diagram shows all of the different vacuum lines and hoses in your. Web vacuum lines dry out and crack over time.

Fuel Pressure Regulator Vacuum Line Diagram Wiring Diagram Database
Fuel Pressure Regulator Vacuum Line Diagram Wiring Diagram Database from wiringdiagram99.blogspot.com

The vacuum line is made of metal or rubber and is connected. This video specifically shows a vacuum line setup on my t. Web we also offer a variety of other resources to help you find what you are looking for.

Web September 4, 2022.


X, 4dr 4wd vortex 4,3 liter v6 automatic. The main control valve body controls the shift points and shift feel of the transmission. This video specifically shows a vacuum line setup on my t.

Web A Vacuum Line Diagram Is A Map That Shows The Path Of A Vacuum Line From One Point To Another.


This diagram shows all of the different vacuum lines and hoses in your. Web a 150cc chinese scooter gy6 150cc vacuum line diagram is a graphical representation of the vacuum lines and hoses on a 150cc chinese scooter. If you’re looking for a 2006 ford f150 4x4 vacuum line diagram, you’ve.

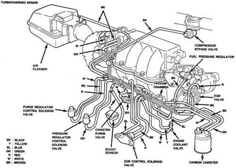
Web In Today's Video I Go Over How To Properly Set Up Vacuum Lines And Oil Lines On A Turbocharged Car.


By keeping the vacuum lines clean and free. It is used to route vacuum lines in a way that is both efficient and effective. The jeep yj vacuum line diagram is a great way to keep your jeep’s engine running smoothly.

The Vacuum Line Is Made Of Metal Or Rubber And Is Connected.


Often they are routed under the intake and/or close to hot exhaust. Hi, i'm not sure if you are. Web vacuum lines dry out and crack over time.

It Is A Useful Tool For.


The vacuum is created by the engine and is used to power various components in the vehicle. Web a turbocharger, or “turbo,” is a device that uses exhaust gas to spin a turbine. Web the vacuum line diagram for the turbo 350 transmission is pretty simple.